摘要:澳大利亚阿德莱德大学法医科学家和生物人类学家 Maciej Henneberg 表示,自己很早就向警方提醒过把考拉指纹混淆成人类指纹的可能。
为了防止类似的情况发生,英国警察在 1975 年把伦敦动物园的黑猩猩全部做了指纹采集。 Owen, R., and Cooper, W.W. (1843).
问:如果你想组织实施一场犯罪,谁会是你最得力的帮手?
答:考拉。
因为考拉可以把警察变成猴子:
开个玩笑。
在说明其原因前,我要先解释一下「趋同进化(Convergent evolution)」。
它的定义是:源自不同祖先的生物,由于相似的生活方式或者环境压力,分别独立地进化出了相似的形态或者功能。
用我经常给人讲解的话讲,叫“自然界的英雄所见略同”。
比如,鲨鱼(鱼类)和海豚(哺乳动物)的流线型身体,以及鸟类和蝙蝠的翅膀,都是趋同进化的经典范例。
大概知道了趋同进化的定义,让我们再来看看人类和考拉。
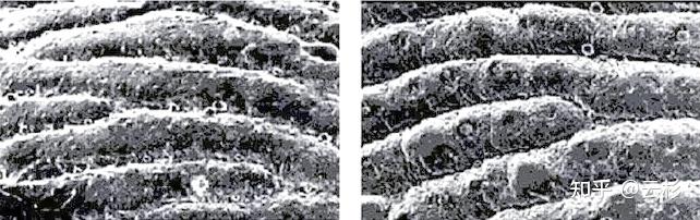
如下,左边是考拉的指纹,右边是人类的:
考拉与人类的指纹在形态上,完全可以说“安能辨我是人拉”。
肉眼上看,就已经高度相似了,考拉指纹的纹型结构(如弧形、螺旋形和环形)与人类高度相似。
在电子显微镜下,微观特征(脊线深度、间距)与人类相比,几乎无法区分。
呐,左边是考拉的,右边是人类的,不加备注的话的确很难分辨,而且研究发现每一只考拉的指纹也是独一无二的。
考拉的手摊开,是不是也很像人类?
考拉也是唯一拥有指纹的有袋类动物,也是极少数拥有指纹的非灵长类动物。
新南威尔士州希托普斯地区的一个警察局曾经首例过一起内衣失窃案。
当事人的损失并不多,只丢失了 1 件内衣,但是鉴定科的警员却从现场采集到了 8 份来自非家庭内成员的指纹。
这事儿后来被认为是考拉进入了盗窃现场,其指纹对现场产生了污染。
澳大利亚阿德莱德大学法医科学家和生物人类学家 Maciej Henneberg 表示,自己很早就向警方提醒过把考拉指纹混淆成人类指纹的可能。
为了防止类似的情况发生,英国警察在 1975 年把伦敦动物园的黑猩猩全部做了指纹采集。
所以,考拉到底是为何与人类趋同进化出高度相似的指纹呢?
科学界普遍认为,相似的功能需求,才会产生出相似的趋同进化。
考拉的功能需求:稳固地抓握树枝、灵活地牵引身体完成各种树上动作,以及...对食物挑肥拣瘦。
没错,看起来考拉天天在吃树叶,但实际上它们真的很挑剔——只吃桉树叶,一种有毒、低营养的叶子。
一种观点认为,考拉之所以只吃桉树叶,是因为它的竞争力太弱,无法与其他动物竞争无害的其他植物,所以选择了服毒的生活策略。
顺带一提,考拉这种生物愚蠢到什么地步呢?
它只能识别长在树枝上的桉树叶,如果你给它一筐摘好的桉树叶,它宁可饿死也不会把它当作食物...
这种奇葩的饮食习惯,让考拉需要在树叶中挑挑拣拣,还会用手指去感受桉树叶的新老嫩否,这与我们人类使用手指从事精细劳作以及感受物体是不谋而合的。
指纹能够增加皮肤表面的摩擦力,从而增强在抓握物体(无论是树枝还是工具)时的稳定性和精确性,让考拉与人类这种亲缘较远的生物与人类趋同进化出了高度相似的指纹。
也因为这件事,呆萌的考拉在国外被蒙上了一层犯罪主义面纱,成为一种反差感极强的 meme。
把你逮捕咯:
以上
参考内容:
Owen, R., and Cooper, W.W. (1843). Lectures on the Comparative Anatomy and Physiology of the Invertebrate Animals: Delivered at the Royal College of Surgeons, in 1843 (Longman, Brown, Green, and Longmans).
暂无回复,快来抢沙发吧!
本次需消耗银元:
100
当前账户余额: 0 银元
为了防止类似的情况发生,英国警察在 1975 年把伦敦动物园的黑猩猩全部做了指纹采集。 Owen, R., and Cooper, W.W. (1843).
问:如果你想组织实施一场犯罪,谁会是你最得力的帮手?
答:考拉。
因为考拉可以把警察变成猴子:
开个玩笑。
在说明其原因前,我要先解释一下「趋同进化(Convergent evolution)」。
它的定义是:源自不同祖先的生物,由于相似的生活方式或者环境压力,分别独立地进化出了相似的形态或者功能。
用我经常给人讲解的话讲,叫“自然界的英雄所见略同”。
比如,鲨鱼(鱼类)和海豚(哺乳动物)的流线型身体,以及鸟类和蝙蝠的翅膀,都是趋同进化的经典范例。
大概知道了趋同进化的定义,让我们再来看看人类和考拉。
如下,左边是考拉的指纹,右边是人类的:
考拉与人类的指纹在形态上,完全可以说“安能辨我是人拉”。
肉眼上看,就已经高度相似了,考拉指纹的纹型结构(如弧形、螺旋形和环形)与人类高度相似。
在电子显微镜下,微观特征(脊线深度、间距)与人类相比,几乎无法区分。
呐,左边是考拉的,右边是人类的,不加备注的话的确很难分辨,而且研究发现每一只考拉的指纹也是独一无二的。
考拉的手摊开,是不是也很像人类?
考拉也是唯一拥有指纹的有袋类动物,也是极少数拥有指纹的非灵长类动物。
新南威尔士州希托普斯地区的一个警察局曾经首例过一起内衣失窃案。
当事人的损失并不多,只丢失了 1 件内衣,但是鉴定科的警员却从现场采集到了 8 份来自非家庭内成员的指纹。
这事儿后来被认为是考拉进入了盗窃现场,其指纹对现场产生了污染。
澳大利亚阿德莱德大学法医科学家和生物人类学家 Maciej Henneberg 表示,自己很早就向警方提醒过把考拉指纹混淆成人类指纹的可能。
为了防止类似的情况发生,英国警察在 1975 年把伦敦动物园的黑猩猩全部做了指纹采集。
所以,考拉到底是为何与人类趋同进化出高度相似的指纹呢?
科学界普遍认为,相似的功能需求,才会产生出相似的趋同进化。
考拉的功能需求:稳固地抓握树枝、灵活地牵引身体完成各种树上动作,以及...对食物挑肥拣瘦。
没错,看起来考拉天天在吃树叶,但实际上它们真的很挑剔——只吃桉树叶,一种有毒、低营养的叶子。
一种观点认为,考拉之所以只吃桉树叶,是因为它的竞争力太弱,无法与其他动物竞争无害的其他植物,所以选择了服毒的生活策略。
顺带一提,考拉这种生物愚蠢到什么地步呢?
它只能识别长在树枝上的桉树叶,如果你给它一筐摘好的桉树叶,它宁可饿死也不会把它当作食物...
这种奇葩的饮食习惯,让考拉需要在树叶中挑挑拣拣,还会用手指去感受桉树叶的新老嫩否,这与我们人类使用手指从事精细劳作以及感受物体是不谋而合的。
指纹能够增加皮肤表面的摩擦力,从而增强在抓握物体(无论是树枝还是工具)时的稳定性和精确性,让考拉与人类这种亲缘较远的生物与人类趋同进化出了高度相似的指纹。
也因为这件事,呆萌的考拉在国外被蒙上了一层犯罪主义面纱,成为一种反差感极强的 meme。
把你逮捕咯:
以上
参考内容:
Owen, R., and Cooper, W.W. (1843). Lectures on the Comparative Anatomy and Physiology of the Invertebrate Animals: Delivered at the Royal College of Surgeons, in 1843 (Longman, Brown, Green, and Longmans).